KJF

ENG

Compact Type(Low Pressure) Hinge Clamp

YOU CAN COUNT ON OUR EXPERTISE

Compact VS Gasket type
Manifold Method
Features
  • 저압용/가스연질화 표면처리
  • 플로우컨트롤밸브 장착 가능
  • 설치와 배관이 용이
  • 제품 장탈착이 용이
  • 내경범위 : ø20~70
  • 작동범위 : 15~70kgf/㎠
  • 사용온도 : 0~60℃
  • 도면상 레버는 옵션
Model No.
  • 1
    Clamp Sort
    CHGC = Compact Hinge Clamp
  • 2
    Piston Diameter
    ex ) 25 = Ø25
  • 3
    Housing Diameter
    ex ) 36 = 36mm
  • 4
    Type
    G = Gasket
    GV = Gasket + Flow control valve
    * V: Meter-In Method/W: Meter-out Method
    Z = 포트반대구조
  • 5
    Lever Direction
    RH = Right Side
    LH = Left Side
    No sign = Front
    * Only applied in case of G, GV
Specifications
Model No. Type Clamping Force(kgf)
@70kgf/㎠
Piston
Diameter(ø)
Effective
Area(㎠)
Stroke(mm) Oil Capacity(㎤) Operating
Pressure Range
(kgf/㎠)
Operating
Temperature
Range(℃)
Weight
(kg)
Total Extra Clamp(Push) Unclamp(Pull)
CHGC-2036□ G 167 20 3.14 18.5 2.5 5.8 4.3 15~70 0~60 0.66
GV 0.67
CHGC-2539□ G 280 25 4.91 20.5 3 10.1 7.7 0.78
GV 0.79
CHGC-3047□ G 390 30 7.07 23.5 3 16.6 13.0 1.08
GV 1.09
CHGC-3553□ G 490 35 9.62 26 3 25.0 21.0 1.51
GV 1.52
CHGC-4463□ G 810 44 15.2 29.5 3 44.8 38.9 2.64
GV 2.65
CHGC-5678□ G 1350 56 24.62 36 3 88.6 74.4 4.46
GV 4.47
CHGC-70100□ G 2020 70 38.47 45 3 173.1 145.4 8.63
GV 8.64
Clamping Force Calculation Formula
Hydraulic Clamp
  • 클램핑력은 치수 K와 사용압력에 따라 변합니다. 아래의 계산식을 통해 클램핑력을 구해 주십시오.
    • - F = Clamping Force(kgf)
    • - P = Hydraulic Pressure(kgf/㎠)
    • - K = Refer to Drawing (mm)
  • Note.
    치수 K가 과도하게 짧을 경우, 최대 압력을 사용하면 클램프에 손상이 가거나 작동유가 새어 나올 수 있습니다.
  • COMPACT
    CHGC-2036G : F = 45.5 x P/K
    CHGC-2539G : F = 80.9 x P/K
    CHGC-3047G : F = 130.7 x P/K
    CHGC-3553G : F = 201.9 x P/K
    CHGC-4463G : F = 372.3 x P/K
    CHGC-5678G : F = 750.8 x P/K
    CHGC-70100G : F = 1442.4 x P/K
- G Type
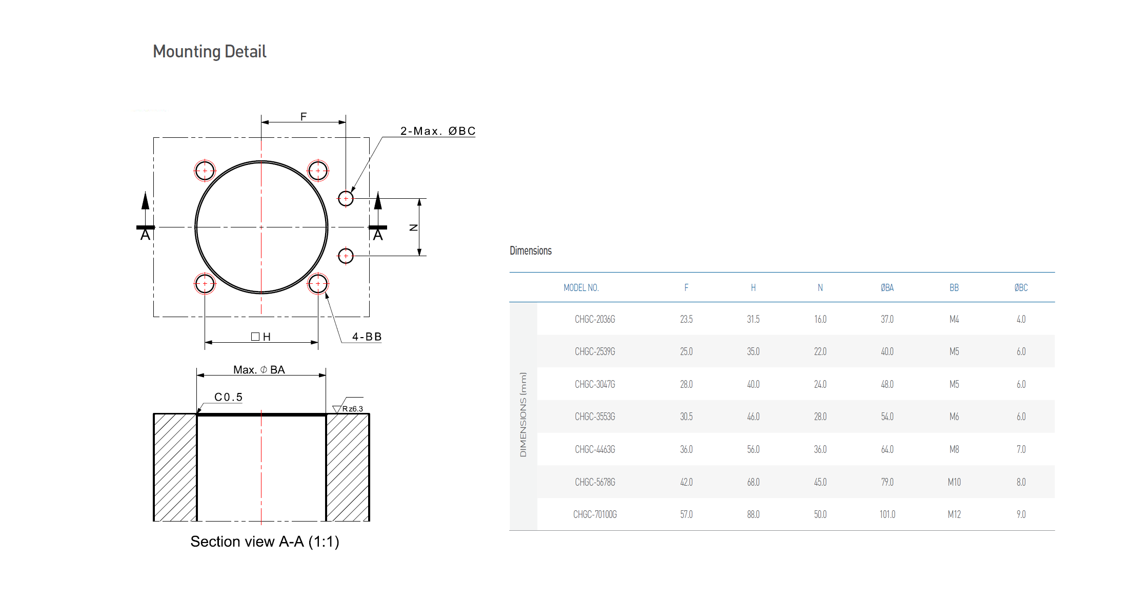
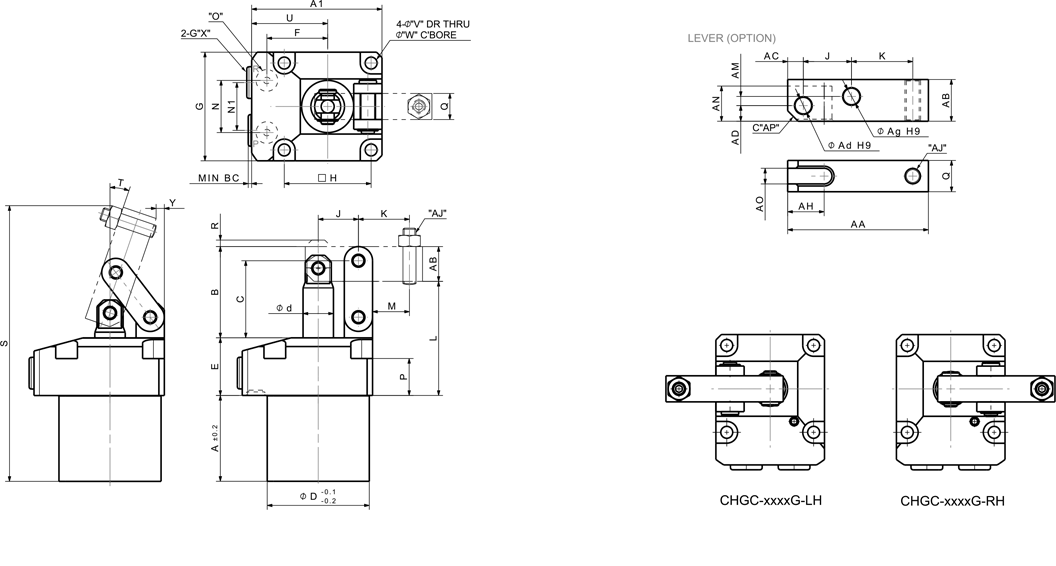
MODEL NO Order Download Dimensions(mm)
2D 3D PDF A A1 B C øD ød E F G H J K L M N N1 O P Q R S T U V W X Y AA AB AC AD Ad Ag AH AJ AM AN AO AP BC
CHGC-2036G 38.5 49 30.5 25 36 10 25 23.5 40 31.5 14.5 19 43 13.5 16 16 p5 16 10 2.5 108.5 19.6 ° 29 4.5 8 G1/8 2.9 43 12.5 4.5 4.5 5 5 10 M5 2.5 10 5 C3.5 3.4
CHGC-2036G-LH 38.5 49 30.5 25 36 10 25 23.5 40 31.5 14.5 19 43 13.5 16 16 p5 16 10 2.5 108.5 19.6 ° 29 4.5 8 G1/8 2.9 43 12.5 4.5 4.5 5 5 10 M5 2.5 10 5 C3.5 3.4
CHGC-2036G-RH 38.5 49 30.5 25 36 10 25 23.5 40 31.5 14.5 19 43 13.5 16 16 p5 16 10 2.5 108.5 19.6 ° 29 4.5 8 G1/8 2.9 43 12.5 4.5 4.5 5 5 10 M5 2.5 10 5 C3.5 3.4
CHGC-2539G 33.5 55 37 31.5 39 12 26.5 25 45 35 16.5 20 49.5 14 22 20 p7 18 12 3 108.6 21.2° 32.5 5.5 10 G1/8 2 48 14 5.5 5.5 6 6 11 M6 3 12 6 C3.0 2.4
CHGC-2539G-LH 33.5 55 37 31.5 39 12 26.5 25 45 35 16.5 20 49.5 14 22 20 p7 18 12 3 108.6 21.2° 32.5 5.5 10 G1/8 2 48 14 5.5 5.5 6 6 11 M6 3 12 6 C3.0 2.4
CHGC-2539G-RH 33.5 55 37 31.5 39 12 26.5 25 45 35 16.5 20 49.5 14 22 20 p7 18 12 3 108.6 21.2° 32.5 5.5 10 G1/8 2 48 14 5.5 5.5 6 6 11 M6 3 12 6 C3.0 2.4
CHGC-3047G 39.5 60 42 35.5 47 14 26.5 28 50 40 18.5 23.5 52.5 17 24 22 p7 17 12 3 126.2 18.9° 35 5.5 10 G1/8 3.8 54 16 6 6 6 6 14 M6 3.5 13.5 6 C4.0 2.4
CHGC-3047G-LH 39.5 60 42 35.5 47 14 26.5 28 50 40 18.5 23.5 52.5 17 24 22 p7 17 12 3 126.2 18.9° 35 5.5 10 G1/8 3.8 54 16 6 6 6 6 14 M6 3.5 13.5 6 C4.0 2.4
CHGC-3047G-RH 39.5 60 42 35.5 47 14 26.5 28 50 40 18.5 23.5 52.5 17 24 22 p7 17 12 3 126.2 18.9° 35 5.5 10 G1/8 3.8 54 16 6 6 6 6 14 M6 3.5 13.5 6 C4.0 2.4
CHGC-3553G 42.5 66 48.5 40.5 53 14 28.5 30.5 57 46 21 29 57 21.5 28 26 p7 17 16 3 141.8 19.9° 37.5 6.8 12 G1/8 3.2 64 20 6 6 6 8 13 M8 6 13.5 8 C4.0 2.4
CHGC-3553G-LH 42.5 66 48.5 40.5 53 14 28.5 30.5 57 46 21 29 57 21.5 28 26 p7 17 16 3 141.8 19.9° 37.5 6.8 12 G1/8 3.2 64 20 6 6 6 8 13 M8 6 13.5 8 C4.0 2.4
CHGC-3553G-RH 42.5 66 48.5 40.5 53 14 28.5 30.5 57 46 21 29 57 21.5 28 26 p7 17 16 3 141.8 19.9° 37.5 6.8 12 G1/8 3.2 64 20 6 6 6 8 13 M8 6 13.5 8 C4.0 2.4
CHGC-4463G 47 82 57 47.5 63 16 36 36 70 56 24.5 32 68 21.5 36 30 p8 20 19 3 164.7 20.5° 47 9 15 G1/4 4.3 73.5 25 7 8 8 10 17 M10 7.5 18 10 C5.0 2.4
CHGC-4463G-LH 47 82 57 47.5 63 16 36 36 70 56 24.5 32 68 21.5 36 30 p8 20 19 3 164.7 20.5° 47 9 15 G1/4 4.3 73.5 25 7 8 8 10 17 M10 7.5 18 10 C5.0 2.4
CHGC-4463G-RH 47 82 57 47.5 63 16 36 36 70 56 24.5 32 68 21.5 36 30 p8 20 19 3 164.7 20.5° 47 9 15 G1/4 4.3 73.5 25 7 8 8 10 17 M10 7.5 18 10 C5.0 2.4
CHGC-5678G 55 96 71 58.5 78 22.4 40 42 86 68 30.5 39 80 26.5 45 38 p9 20 22 3 194.1 20.6° 53 11 18.5 G3/8 6.2 90.5 31 10 9 12 14 21 M12 9.5 23 11 C7.0 5.1
CHGC-5678G-LH 55 96 71 58.5 78 22.4 40 42 86 68 30.5 39 80 26.5 45 38 p9 20 22 3 194.1 20.6° 53 11 18.5 G3/8 6.2 90.5 31 10 9 12 14 21 M12 9.5 23 11 C7.0 5.1
CHGC-5678G-RH 55 96 71 58.5 78 22.4 40 42 86 68 30.5 39 80 26.5 45 38 p9 20 22 3 194.1 20.6° 53 11 18.5 G3/8 6.2 90.5 31 10 9 12 14 21 M12 9.5 23 11 C7.0 5.1
CHGC-70100G 65 120 87 71 100 28 47 57 108 88 37.5 50 96 33.5 50 50 p10 20 32 3 236.8 18.4° 66 14 20 G3/8 9.8 115.5 38 12.5 12.5 14 16 28 M16 9.5 29 16 C8.0 5.1
CHGC-70100G-LH 65 120 87 71 100 28 47 57 108 88 37.5 50 96 33.5 50 50 p10 20 32 3 236.8 18.4° 66 14 20 G3/8 9.8 115.5 38 12.5 12.5 14 16 28 M16 9.5 29 16 C8.0 5.1
CHGC-70100G-RH 65 120 87 71 100 28 47 57 108 88 37.5 50 96 33.5 50 50 p10 20 32 3 236.8 18.4° 66 14 20 G3/8 9.8 115.5 38 12.5 12.5 14 16 28 M16 9.5 29 16 C8.0 5.1
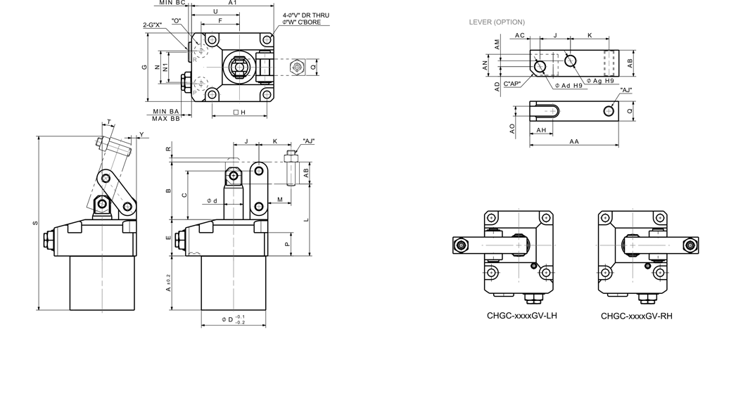
- GV Type
MODEL NO Order Download Dimensions(mm)
2D 3D PDF A A1 B C øD ød E F G H J K L M N N1 O P Q R S T U V W X Y AA AB AC AD Ad Ag AH AJ AM AN AO AP BA BB BC
CHGC-2036GV 38.5 49 30.5 25 36 10 25 23.5 40 31.5 14.5 19 43 13.5 16 16 p5 16 10 2.5 108.5 19.6 ° 29 4.5 8 G1/8 2.9 43 12.5 4.5 4.5 5 5 10 M5 2.5 10 5 C3.5 7.5 11.5 3.4
CHGC-2036GV-LH 38.5 49 30.5 25 36 10 25 23.5 40 31.5 14.5 19 43 13.5 16 16 p5 16 10 2.5 108.5 19.6 ° 29 4.5 8 G1/8 2.9 43 12.5 4.5 4.5 5 5 10 M5 2.5 10 5 C3.5 7.5 11.5 3.4
CHGC-2036GV-RH 38.5 49 30.5 25 36 10 25 23.5 40 31.5 14.5 19 43 13.5 16 16 p5 16 10 2.5 108.5 19.6 ° 29 4.5 8 G1/8 2.9 43 12.5 4.5 4.5 5 5 10 M5 2.5 10 5 C3.5 7.5 11.5 3.4
CHGC-2539GV 33.5 55.5 37 31.5 39 12 26.5 25 45 35 16.5 20 49.5 14 22 20 p7 18 12 3 108.6 21.2° 32.5 5.5 10 G1/8 2 48 14 5.5 5.5 6 6 11 M6 3 12 6 C3.0 6.6 13.2 2.4
CHGC-2539GV-LH 33.5 55.5 37 31.5 39 12 26.5 25 45 35 16.5 20 49.5 14 22 20 p7 18 12 3 108.6 21.2° 32.5 5.5 10 G1/8 2 48 14 5.5 5.5 6 6 11 M6 3 12 6 C3.0 6.6 13.2 2.4
CHGC-2539GV-RH 33.5 55.5 37 31.5 39 12 26.5 25 45 35 16.5 20 49.5 14 22 20 p7 18 12 3 108.6 21.2° 32.5 5.5 10 G1/8 2 48 14 5.5 5.5 6 6 11 M6 3 12 6 C3.0 6.6 13.2 2.4
CHGC-3047GV 39.5 60 42 35.5 47 14 26.5 28 50 40 18.5 23.5 52.5 17 24 22 p7 17 12 3 126.2 18.9° 35 5.5 10 G1/8 3.8 54 16 6 6 6 6 14 M6 3.5 13.5 6 C4.0 6.6 13.2 2.4
CHGC-3047GV-LH 39.5 60 42 35.5 47 14 26.5 28 50 40 18.5 23.5 52.5 17 24 22 p7 17 12 3 126.2 18.9° 35 5.5 10 G1/8 3.8 54 16 6 6 6 6 14 M6 3.5 13.5 6 C4.0 6.6 13.2 2.4
CHGC-3047GV-RH 39.5 60 42 35.5 47 14 26.5 28 50 40 18.5 23.5 52.5 17 24 22 p7 17 12 3 126.2 18.9° 35 5.5 10 G1/8 3.8 54 16 6 6 6 6 14 M6 3.5 13.5 6 C4.0 6.6 13.2 2.4
CHGC-3553GV 42.5 66 48.5 40.5 53 14 28.5 30.5 57 46 21 29 57 21.5 28 26 p7 17 16 3 141.8 19.9° 37.5 6.8 12 G1/8 3.2 64 20 6 6 6 8 13 M8 6 13.5 8 C4.0 6.6 13.2 2.4
CHGC-3553GV-LH 42.5 66 48.5 40.5 53 14 28.5 30.5 57 46 21 29 57 21.5 28 26 p7 17 16 3 141.8 19.9° 37.5 6.8 12 G1/8 3.2 64 20 6 6 6 8 13 M8 6 13.5 8 C4.0 6.6 13.2 2.4
CHGC-3553GV-RH 42.5 66 48.5 40.5 53 14 28.5 30.5 57 46 21 29 57 21.5 28 26 p7 17 16 3 141.8 19.9° 37.5 6.8 12 G1/8 3.2 64 20 6 6 6 8 13 M8 6 13.5 8 C4.0 6.6 13.2 2.4
CHGC-4463GV 47 82 57 47.5 63 16 36 36 70 56 24.5 32 68 21.5 36 30 p8 20 19 3 164.7 20.5° 47 9 15 G1/4 4.3 73.5 25 7 8 8 10 17 M10 7.5 18 10 C5.0 7.15 16.75 2.4
CHGC-4463GV-LH 47 82 57 47.5 63 16 36 36 70 56 24.5 32 68 21.5 36 30 p8 20 19 3 164.7 20.5° 47 9 15 G1/4 4.3 73.5 25 7 8 8 10 17 M10 7.5 18 10 C5.0 7.15 16.75 2.4
CHGC-4463GV-RH 47 82 57 47.5 63 16 36 36 70 56 24.5 32 68 21.5 36 30 p8 20 19 3 164.7 20.5° 47 9 15 G1/4 4.3 73.5 25 7 8 8 10 17 M10 7.5 18 10 C5.0 7.15 16.75 2.4
CHGC-5678GV 55 96 71 58.5 78 22.4 40 42 86 68 30.5 39 80 26.5 45 38 p9 20 22 3 194.1 20.6° 53 11 18.5 G3/8 6.2 90.5 31 10 9 12 14 21 M12 9.5 23 11 C7.0 7.1 17.1 5.1
CHGC-5678GV-LH 55 96 71 58.5 78 22.4 40 42 86 68 30.5 39 80 26.5 45 38 p9 20 22 3 194.1 20.6° 53 11 18.5 G3/8 6.2 90.5 31 10 9 12 14 21 M12 9.5 23 11 C7.0 7.1 17.1 5.1
CHGC-5678GV-RH 55 96 71 58.5 78 22.4 40 42 86 68 30.5 39 80 26.5 45 38 p9 20 22 3 194.1 20.6° 53 11 18.5 G3/8 6.2 90.5 31 10 9 12 14 21 M12 9.5 23 11 C7.0 7.1 17.1 5.1
CHGC-70100GV 65 120 87 71 100 28 47 57 108 88 37.5 50 96 33.5 50 50 p10 20 32 3 236.8 18.4° 66 14 20 G3/8 9.8 115.5 38 12.5 12.5 14 16 28 M16 9.5 29 16 C8.0 7.1 17.1 5.1
CHGC-70100GV-LH 65 120 87 71 100 28 47 57 108 88 37.5 50 96 33.5 50 50 p10 20 32 3 236.8 18.4° 66 14 20 G3/8 9.8 115.5 38 12.5 12.5 14 16 28 M16 9.5 29 16 C8.0 7.1 17.1 5.1
CHGC-70100GV-RH 65 120 87 71 100 28 47 57 108 88 37.5 50 96 33.5 50 50 p10 20 32 3 236.8 18.4° 66 14 20 G3/8 9.8 115.5 38 12.5 12.5 14 16 28 M16 9.5 29 16 C8.0 7.1 17.1 5.1
- GVT Type
MODEL NO Order Download Dimensions(mm)
2D 3D PDF BD BE BF BG BH
CHGC-2036GVT 0.0 21.0 5.0 3.5 7.5
CHGC-2539GVT 0.0 18.0 5.0 4.0 8.0
CHGC-3047GVT 0.0 20.0 7.5 4.0 8.0
CHGC-3553GVT 2.3 17.0 10.0 5.5 9.5
CHGC-4463GVT 3.5 23.0 12.0 7.0 11.0
CHGC-5678GVT 3.5 31.0 15.0 6.0 10.0
CHGC-70100GVT 5.0 35.0 24.0 6.0 10.0
TOP